ВКРН-П ДУ
Изготавливаются по ТУ-4861-004-52586529-01
2300 - 130000 м3/час
РАБОЧЕЕ КОЛЕСО С НАЗАД ЗАГНУТЫМИ ЛОПАТКАМИ
СВАРНОЙ КОРПУС С ПОКРЫТИЕМ ПОРОШКОВОЙ КРАСКОЙ
КОЖУХ ИЗ ОЦИНКОВАННОЙ СТАЛИ
ДВУХСТОРОННИЙ ВЫПУСК УДАЛЯЕМОГО ДЫМА
НИЗКИЙ УРОВЕНЬ ЭНЕРГОПОТРЕБЛЕНИЯ
Допускается применение всех вентиляторов в режиме общеобменной вентиляции при пониженной не менее чем на 25% против указанной в каталоге частоте вращения - например, с использованием частотного преобразователя.
Комплектация двухскоростными асинхронными двигателями - при заказе.
Возможность плотной установки нескольких вентиляторов на кровле.
Вентиляторы обозначаются по приведенному ниже ключу:
ВКРН–АП-3,15ДУ–4
ВКРН - тип вентилятора (Вентилятор Крышный Радиальный с Назад загнутыми лопатками рабочего колеса);
А - код исполнения колеса вентилятора (А, Б или В);
П - исполнение кожуха (П, Д);
3,15 - диаметр рабочего колеса в дм (номер вентилятора);
ДУ - назначение (дымоудаление);
4 - число полюсов двигателя.
Технические характеристики:
|
№
|
Тип вентилятора |
Тип электродвигателя
|
Частота, n, мин-1
|
Мощность, Nу, кВт
|
|
|
1 |
ВКРН-АП/АД-3,15ДУ-4 |
АИР56В4 |
1350 |
0,18 |
|
|
2 |
ВКРН-АП/АД-3,55ДУ-4 |
АИР63В4 |
1450 |
0,37 |
|
|
3 |
ВКРН-АП/АД-4ДУ-4 |
АИР71А4 |
1320 |
0,55 |
|
|
4 |
ВКРН-АП/АД-4,5ДУ-4 |
АИР80А4 |
1450 |
1,1 |
|
|
5 |
ВКРН-АП/АД-5ДУ-4 |
АИР80В4 |
1395 |
1,5 |
|
|
6 |
ВКРН-АП/АД-5,6ДУ-4 |
АИР100S4 |
1450 |
3 |
|
|
7 |
ВКРН-АП/АД-6,3ДУ-6 |
АИР90L6 |
920 |
1,5 |
|
|
8 |
ВКРН-АП/АД-6,3ДУ-4 |
АИР112М4 |
1410 |
5,5 |
|
|
9 |
ВКРН-АП/АД-7,1ДУ-6 |
АИР112МА6 |
950 |
3 |
|
|
10 |
ВКРН-АП/АД-7,1ДУ-4 |
АИР132М4 |
1450 |
11 |
|
|
11 |
ВКРН-АП/АД-8ДУ-8 |
АИР112МА8 |
710 |
2,2 |
|
|
12 |
ВКРН-АП/АД-8ДУ-6 |
АИР132S6 |
950 |
5,5 |
|
|
13 |
ВКРН-АП/АД-8ДУ-4 |
АИР160S4 |
1450 |
15 |
|
|
14 |
ВКРН-АП/АД-9ДУ-8 |
АИР132S8 |
730 |
4 |
|
|
15 |
ВКРН-АП/АД-9ДУ-6 |
АИР160S6 |
950 |
11 |
|
|
16 |
ВКРН-АП/АД-9ДУ-4 |
АИР180М4 |
1450 |
30 |
|
|
17 |
ВКРН-АП/АД-10ДУ-8 |
АИР132М8 |
715 |
5,5 |
|
|
18 |
ВКРН-АП/АД-10ДУ-6 |
АИР160М6 |
970 |
15 |
|
|
19 |
ВКРН-АП/АД-11,2ДУ-8 |
АИР160М8 |
730 |
11 |
|
|
20 |
ВКРН-АП/АД-11,2ДУ-6 |
АИР200L6 |
950 |
30 |
|
|
21 |
ВКРН-АП/АД-12,5ДУ-12 |
АИР160М12 |
475 |
5,5 |
|
|
22 |
ВКРН-АП/АД-12,5ДУ-8 |
АИР200М8 |
730 |
18,5 |
|
|
23 |
ВКРН-АП/АД-12,5ДУ-6 |
АИР250S6 |
960 |
45 |
|
|
24 |
ВКРН-АП/АД-14ДУ-12 |
АИР180МВ12 |
475 |
9 |
|
|
25 |
ВКРН-АП/АД-14ДУ-8 |
АИР250S8 |
730 |
37 |
|
|
№
|
Тип вентилятора |
Тип электродвигателя
|
Частота, n, мин-1
|
Мощность, Nу, кВт
|
|
|
1 |
ВКРН-БП/БД-3,15ДУ-4 |
АИР63А4 |
1450 |
0,25 |
|
|
2 |
ВКРН-БП/БД-3,55ДУ-4 |
АИР71А4 |
1450 |
0,55 |
|
|
3 |
ВКРН-БП/БД-4ДУ-4 |
АИР71В4 |
1450 |
0,75 |
|
|
4 |
ВКРН-БП/БД-4,5ДУ-4 |
АИР80В4 |
1450 |
1,5 |
|
|
5 |
ВКРН- БП/БД -5ДУ-4 |
АИР90L4 |
1450 |
2,2 |
|
|
6 |
ВКРН- БП/БД -5,6ДУ-4 |
АИР100L4 |
1450 |
4 |
|
|
7 |
ВКРН- БП/БД -6,3ДУ-6 |
АИР100L6 |
950 |
2,2 |
|
|
8 |
ВКРН- БП/БД -6,3ДУ-4 |
АИР132S4 |
1450 |
7,5 |
|
|
9 |
ВКРН- БП/БД -7,1ДУ-6 |
АИР112МВ6 |
950 |
4 |
|
|
10 |
ВКРН- БП/БД -7,1ДУ-4 |
АИР160S4 |
1450 |
15 |
|
|
11 |
ВКРН- БП/БД -8ДУ-6 |
АИР132М6 |
950 |
7,5 |
|
|
12 |
ВКРН- БП/БД -8ДУ-4 |
АИР180S4 |
1450 |
22 |
|
|
13 |
ВКРН- БП/БД -9ДУ-8 |
АИР132М8 |
730 |
5,5 |
|
|
14 |
ВКРН- БП/БД -9ДУ-6 |
АИР160S6 |
950 |
11 |
|
|
15 |
ВКРН- БП/БД -10ДУ-8 |
АИР160S8 |
730 |
7,5 |
|
|
16 |
ВКРН- БП/БД -10ДУ-6 |
АИР180М6 |
950 |
18,5 |
|
|
17 |
ВКРН- БП/БД -11,2ДУ-8 |
АИР180М8 |
730 |
15 |
|
|
18 |
ВКРН- БП/БД -11,2ДУ-6 |
АИР225М6 |
950 |
37 |
|
|
19 |
ВКРН- БП/БД-12,5ДУ-12 |
А180МВ12 |
485 |
9 |
|
|
20 |
ВКРН- БП/БД -12,5ДУ-8 |
АИР225М8 |
730 |
30 |
|
|
21 |
ВКРН- БП/БД -14ДУ-12 |
А200LА12 |
475 |
13 |
|
|
22 |
ВКРН- БП/БД -14ДУ-8 |
АИР250М8 |
730 |
45 |
|
|
№
|
Тип вентилятора |
Тип электродвигателя
|
Частота, n, мин-1
|
Мощность, Nу, кВт
|
|
|
1 |
ВКРН- ВП/ВД -7,1ДУ-4 |
АИР132S4 |
1450 |
7,5 |
|
|
2 |
ВКРН- ВП/ВД -8ДУ-4 |
АИР132М4 |
1450 |
11 |
|
|
3 |
ВКРН- ВП/ВД -11,2ДУ-6 |
АИР180М6 |
950 |
18,5 |
|
|
4 |
ВКРН- ВП/ВД-12,5ДУ-6 |
АИР200L6 |
960 |
30 |
|
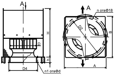
№
|
Тип вентилятора
|
Размеры, мм |
Масса, кг
|
|||||||||
|
А |
В |
D |
D2 |
D4 |
Н |
h |
d |
n |
n1 |
|||
|
1 |
ВКРН-А/Б-3,15ДУ-4 |
470 |
470 |
315 |
470 |
345 |
477/509 |
100 |
7 |
4 |
4 |
30,6/33,1 |
|
2 |
ВКРН-А/Б-3,55ДУ-4 |
560 |
560 |
355 |
585 |
385 |
570\610 |
100 |
7 |
4 |
4 |
40\43 |
|
3 |
ВКРН-А/Б-4ДУ-4 |
560 |
560 |
400 |
585 |
430 |
565\605 |
130 |
7 |
4 |
4 |
58,7/60,7 |
|
4 |
ВКРН-А/Б-4,5ДУ-4 |
650 |
650 |
450 |
665 |
480 |
630/675 |
130 |
7 |
8 |
5 |
71/80 |
|
5 |
ВКРН-А/Б-5ДУ-4 |
755 |
755 |
500 |
772 |
530 |
670/720 |
140 |
7 |
8 |
5 |
112,3/130 |
|
6 |
ВКРН-А/Б-5,6ДУ-4 |
755 |
755 |
560 |
772 |
530 |
800/855 |
130 |
10 |
8 |
6 |
140,2/153 |
|
7 |
ВКРН-А/Б-6,3ДУ-6 |
780 |
755 |
630 |
772 |
660 |
813/910 |
200 |
10 |
8 |
6 |
143/167 |
|
8 |
ВКРН-А/Б-6,3ДУ-4 |
780 |
755 |
630 |
772 |
660 |
813/910 |
200 |
10 |
8 |
6 |
171/206 |
|
9 |
ВКРН-А/Б-7,1ДУ-6 |
870 |
820 |
710 |
772 |
660 |
1090/1160 |
160 |
10 |
8 |
6 |
211/222 |
|
10 |
ВКРН-А/Б/В-7,1ДУ-4 |
870 |
820 |
710 |
772 |
660 |
1090/1160/1090 |
160 |
10 |
8 |
6 |
249/304/234 |
|
11 |
ВКРН-А-8ДУ-8 |
1080 |
1080 |
800 |
1072 |
830 |
1160 |
197 |
10 |
8 |
6 |
281 |
|
12 |
ВКРН-А/Б-8ДУ-6 |
1080 |
1080 |
800 |
1072 |
830 |
1160\1240 |
197 |
10 |
8 |
6 |
305/341 |
|
13 |
ВКРН-А/Б/В-8ДУ-4 |
1080 |
1080 |
800 |
1072 |
830 |
1160\1240\1160 |
197 |
10 |
8 |
6 |
382/413/335 |
|
14 |
ВКРН-А/Б-9ДУ-8 |
1095 |
1080 |
900 |
1072 |
940 |
1200/1290 |
130 |
10 |
8 |
8 |
330/362 |
|
15 |
ВКРН-А/Б-9ДУ-6 |
1095 |
1080 |
900 |
1072 |
940 |
1200/1290 |
130 |
10 |
8 |
8 |
383/400 |
|
16 |
ВКРН-А-9ДУ-4 |
1095 |
1080 |
900 |
1072 |
940 |
1200 |
130 |
10 |
8 |
8 |
455 |
|
17 |
ВКРН-А/Б-10ДУ-8 |
1290 |
1250 |
1000 |
1272 |
1040 |
1425/1525 |
130 |
10 |
8 |
8 |
419/559 |
|
18 |
ВКРН-А/Б-10ДУ-6 |
1290 |
1250 |
1000 |
1272 |
1040 |
1425/1525 |
130 |
10 |
8 |
8 |
445/610 |
|
19 |
ВКРН-А/Б-11,2ДУ-8 |
1350 |
1290 |
1120 |
1272 |
1165 |
1460/1702 |
190 |
12 |
8 |
9 |
582/652 |
|
20 |
ВКРН-А/Б / В-11,2ДУ-6 |
1350 |
1290 |
1120 |
1272 |
1165 |
1460/1702\1460 |
190 |
12 |
8 |
9 |
737/782/649 |
|
21 |
ВКРН-А/Б-12,5ДУ-12 |
1530 |
1485 |
1250 |
1522 |
1295 |
1537/1665 |
130 |
12 |
8 |
9 |
667/811 |
|
22 |
ВКРН-А/Б-12,5ДУ-8 |
1530 |
1485 |
1250 |
1522 |
1295 |
1537/1665 |
130 |
12 |
8 |
9 |
782/911 |
|
23 |
ВКРН-А/В-12,5ДУ-6 |
1530 |
1485 |
1250 |
1522 |
1295 |
1537 |
130 |
12 |
8 |
9 |
1041/859 |
|
24 |
ВКРН-А/Б-14ДУ-12 |
1680 |
1680 |
1400 |
1522 |
1295 |
1785/1925 |
130 |
12 |
8 |
9 |
1001/1051 |
|
25 |
ВКРН-А/Б-14ДУ-8 |
1680 |
1680 |
1400 |
1522 |
1295 |
1785/1925 |
130 |
12 |
8 |
9 |
1189/1391 |
