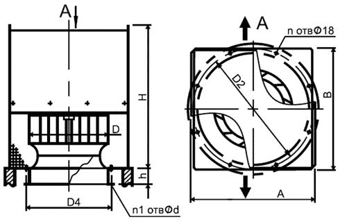
ВКРН-Д ДУ
Изготавливаются по ТУ-4861-004-52586529-01
2300 - 130000 м3/час
РАБОЧЕЕ КОЛЕСО С НАЗАД ЗАГНУТЫМИ ЛОПАТКАМИ
СВАРНОЙ КОРПУС С ПОКРЫТИЕМ ПОРОШКОВОЙ КРАСКОЙ
КОЖУХ ИЗ ОЦИНКОВАННОЙ СТАЛИ
ДВУХСТОРОННИЙ ВЫПУСК УДАЛЯЕМОГО ДЫМА
НИЗКИЙ УРОВЕНЬ ЭНЕРГОПОТРЕБЛЕНИЯ
.
Допускается применение всех вентиляторов в режиме общеобменной вентиляции при пониженной не менее чем на 25% против указанной в каталоге частоте вращения - например, с использованием частотного преобразователя.
Комплектация двухскоростными асинхронными двигателями - при заказе.
Возможность плотной установки нескольких вентиляторов на кровле.
Исключительная аэродинамическая нагруженность рабочих колес исполнения Б.
Вентиляторы обозначаются по приведенному ниже ключу:
ВКРН– АД-3,15 ДУ – 4
ВКРН - тип вентилятора (Вентилятор Крышный Радиальный с Назад загнутыми лопатками рабочего колеса);
А - код исполнения колеса вентилятора (А, Б или В);
Д - исполнение кожуха (П, Д);
3,15 - диаметр рабочего колеса в дм (номер вентилятора);
ДУ - назначение (дымоудаление);
4 - число полюсов двигателя.
Технические характеристики:
|
№
|
Тип вентилятора |
Тип электродвигателя
|
Частота, n, мин-1
|
Мощность, Nу, кВт
|
|
|
1 |
ВКРН-АП/АД-3,15ДУ-4 |
АИР56В4 |
1350 |
0,18 |
|
|
2 |
ВКРН-АП/АД-3,55ДУ-4 |
АИР63В4 |
1450 |
0,37 |
|
|
3 |
ВКРН-АП/АД-4ДУ-4 |
АИР71А4 |
1320 |
0,55 |
|
|
4 |
ВКРН-АП/АД-4,5ДУ-4 |
АИР80А4 |
1450 |
1,1 |
|
|
5 |
ВКРН-АП/АД-5ДУ-4 |
АИР80В4 |
1395 |
1,5 |
|
|
6 |
ВКРН-АП/АД-5,6ДУ-4 |
АИР100S4 |
1450 |
3 |
|
|
7 |
ВКРН-АП/АД-6,3ДУ-6 |
АИР90L6 |
920 |
1,5 |
|
|
8 |
ВКРН-АП/АД-6,3ДУ-4 |
АИР112М4 |
1410 |
5,5 |
|
|
9 |
ВКРН-АП/АД-7,1ДУ-6 |
АИР112МА6 |
950 |
3 |
|
|
10 |
ВКРН-АП/АД-7,1ДУ-4 |
АИР132М4 |
1450 |
11 |
|
|
11 |
ВКРН-АП/АД-8ДУ-8 |
АИР112МА8 |
710 |
2,2 |
|
|
12 |
ВКРН-АП/АД-8ДУ-6 |
АИР132S6 |
950 |
5,5 |
|
|
13 |
ВКРН-АП/АД-8ДУ-4 |
АИР160S4 |
1450 |
15 |
|
|
14 |
ВКРН-АП/АД-9ДУ-8 |
АИР132S8 |
730 |
4 |
|
|
15 |
ВКРН-АП/АД-9ДУ-6 |
АИР160S6 |
950 |
11 |
|
|
16 |
ВКРН-АП/АД-9ДУ-4 |
АИР180М4 |
1450 |
30 |
|
|
17 |
ВКРН-АП/АД-10ДУ-8 |
АИР132М8 |
715 |
5,5 |
|
|
18 |
ВКРН-АП/АД-10ДУ-6 |
АИР160М6 |
970 |
15 |
|
|
19 |
ВКРН-АП/АД-11,2ДУ-8 |
АИР160М8 |
730 |
11 |
|
|
20 |
ВКРН-АП/АД-11,2ДУ-6 |
АИР200L6 |
950 |
30 |
|
|
21 |
ВКРН-АП/АД-12,5ДУ-12 |
АИР160М12 |
475 |
5,5 |
|
|
22 |
ВКРН-АП/АД-12,5ДУ-8 |
АИР200М8 |
730 |
18,5 |
|
|
23 |
ВКРН-АП/АД-12,5ДУ-6 |
АИР250S6 |
960 |
45 |
|
|
24 |
ВКРН-АП/АД-14ДУ-12 |
АИР180МВ12 |
475 |
9 |
|
|
25 |
ВКРН-АП/АД-14ДУ-8 |
АИР250S8 |
730 |
37 |
|
|
№
|
Тип вентилятора |
Тип электродвигателя
|
Частота, n, мин-1
|
Мощность, Nу, кВт
|
|
|
1 |
ВКРН-БП/БД-3,15ДУ-4 |
АИР63А4 |
1450 |
0,25 |
|
|
2 |
ВКРН-БП/БД-3,55ДУ-4 |
АИР71А4 |
1450 |
0,55 |
|
|
3 |
ВКРН-БП/БД-4ДУ-4 |
АИР71В4 |
1450 |
0,75 |
|
|
4 |
ВКРН-БП/БД-4,5ДУ-4 |
АИР80В4 |
1450 |
1,5 |
|
|
5 |
ВКРН- БП/БД -5ДУ-4 |
АИР90L4 |
1450 |
2,2 |
|
|
6 |
ВКРН- БП/БД -5,6ДУ-4 |
АИР100L4 |
1450 |
4 |
|
|
7 |
ВКРН- БП/БД -6,3ДУ-6 |
АИР100L6 |
950 |
2,2 |
|
|
8 |
ВКРН- БП/БД -6,3ДУ-4 |
АИР132S4 |
1450 |
7,5 |
|
|
9 |
ВКРН- БП/БД -7,1ДУ-6 |
АИР112МВ6 |
950 |
4 |
|
|
10 |
ВКРН- БП/БД -7,1ДУ-4 |
АИР160S4 |
1450 |
15 |
|
|
11 |
ВКРН- БП/БД -8ДУ-6 |
АИР132М6 |
950 |
7,5 |
|
|
12 |
ВКРН- БП/БД -8ДУ-4 |
АИР180S4 |
1450 |
22 |
|
|
13 |
ВКРН- БП/БД -9ДУ-8 |
АИР132М8 |
730 |
5,5 |
|
|
14 |
ВКРН- БП/БД -9ДУ-6 |
АИР160S6 |
950 |
11 |
|
|
15 |
ВКРН- БП/БД -10ДУ-8 |
АИР160S8 |
730 |
7,5 |
|
|
16 |
ВКРН- БП/БД -10ДУ-6 |
АИР180М6 |
950 |
18,5 |
|
|
17 |
ВКРН- БП/БД -11,2ДУ-8 |
АИР180М8 |
730 |
15 |
|
|
18 |
ВКРН- БП/БД -11,2ДУ-6 |
АИР225М6 |
950 |
37 |
|
|
19 |
ВКРН- БП/БД-12,5ДУ-12 |
А180МВ12 |
485 |
9 |
|
|
20 |
ВКРН- БП/БД -12,5ДУ-8 |
АИР225М8 |
730 |
30 |
|
|
21 |
ВКРН- БП/БД -14ДУ-12 |
А200LА12 |
475 |
13 |
|
|
22 |
ВКРН- БП/БД -14ДУ-8 |
АИР250М8 |
730 |
45 |
|
|
№
|
Тип вентилятора |
Тип электродвигателя
|
Частота, n, мин-1
|
Мощность, Nу, кВт
|
|
|
1 |
ВКРН- ВП/ВД -7,1ДУ-4 |
АИР132S4 |
1450 |
7,5 |
|
|
2 |
ВКРН- ВП/ВД -8ДУ-4 |
АИР132М4 |
1450 |
11 |
|
|
3 |
ВКРН- ВП/ВД -11,2ДУ-6 |
АИР180М6 |
950 |
18,5 |
|
|
4 |
ВКРН- ВП/ВД-12,5ДУ-6 |
АИР200L6 |
960 |
30 |
