Навесные отопительно-вентиляционные агрегаты НОВА
Изготавливаются по ТУ-4863-020-52586529-07
Навесные отопительно-вентиляционные агрегаты НОВА предназначены для нагрева воздуха, с помощью водяного теплоносителя, циркулирующего через медно-алюминиевый воздухонагреватель агрегата и равномерного его распределения в помещении с помощью вентилятора и направляющих лопаток. Они рассчитаны для работы на внутреннем воздухе помещения. Теплоноситель не должен содержать химически активных по отношению к меди и стали веществ.
Рабочее давление водяного воздухонагревателя не должно быть более 1,6 МПа, а его температура не более 180 С.
Применение осевого вентилятора с лопатками специального профиля обеспечивает низкий уровень шума и низкое потребление электроэнергии при работе.
Корпуса агрегатов НОВА изготавливаются из оцинкованной стали. По отдельному заказу могут быть покрашены порошковой краской.
Подбор агрегата под конкретный заказ может быть произведен на основании БЛАНКА-ЗАКАЗА.
Вентиляторы обозначаются по приведенному ниже ключу:
НОВА –1 –2- 1- К
НОВА - тип агрегата (Навесной Отопительно-Вентиляционный Агрегат);
1 - типоразмер агрегата;
2 - код числа рядов воздухонагревателя:
- 2- двухрядный
- 3- трехрядный
1 - количество фаз электрической сети;
К - Способ крепления:
- К - на кронштейнах
- Ш1 - шпильками к потолку (поток в сторону)
- Ш2 - шпильками к потолку (поток вниз)
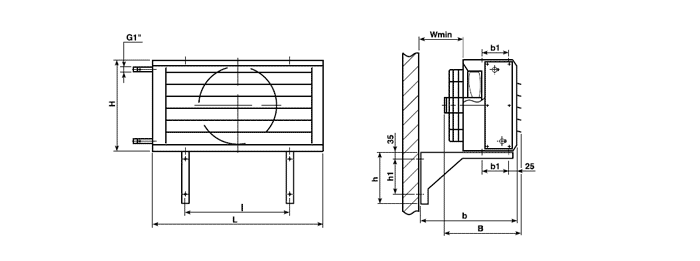
Устройство агрегата представлено на рисунке 1:

Таблица 1 Габаритные и установочные размеры
|
Наименование агрегата
|
Размеры, мм |
||||||||
|
B |
H |
L |
Wmin |
l |
b |
b1 |
h |
h1 |
|
|
НОВА - 1 |
480 |
460 |
732 |
165 |
400 |
540 |
200 |
200 |
130 |
|
НОВА - 2 |
462 |
540 |
833 |
180 |
505 |
550 |
144 |
250 |
190 |
|
НОВА - 3 |
555 |
630 |
1143 |
200 |
700 |
570 |
200 |
300 |
230 |
Таблица 2 Характеристики агрегатов
|
Характеристики
|
Типоразмеры агрегатов |
|||||
|
НОВА 1-2 |
НОВА 1-3 |
НОВА 2-2 |
НОВА 2-3 |
НОВА 3-2 |
НОВА 3-3 |
|
|
Расход воздуха (не менее), м3/ч |
2000 |
1800 |
3000 |
2600 |
5000 |
4600 |
|
Мощность нагрева, кВт* |
15,8 |
20,6 |
21,7 |
25,3 |
37,7 |
47,2 |
|
Температура нагрева, 0С* |
23,7 |
34,3 |
21,7 |
29,6 |
22,6 |
30,8 |
|
Размер сечения воздухонагревателя |
600х350 |
700х400 |
1000х500 |
|||
|
Электропитание, В |
1х220 |
3х380 (1х220) |
3х380 (1х220) |
|||
|
Мощность электродвигателя, кВт |
0,11 |
0,22 |
0,25 |
|||
|
Масса, кг |
37 |
39 |
43,5 |
47,5 |
75 |
77 |
|
Звуковая мощность, дБА |
69 |
69 |
72 |
72 |
75 |
75 |
*) При температуре воды 95/70 С и температуре воздуха 20 С.
Для определения оптимального количества отопительно-вентиляционных агрегатов, необходимых для обогрева помещения и поддержания в нем заданной температуры, следует определить необходимую тепловую мощность, достаточную для компенсации тепловых потерь помещения.
ТЕПЛОПОТЕРИ ПОМЕЩЕНИЯ ЗАВИСЯТ, ГЛАВНЫМ ОБРАЗОМ, ОТ:
РАСЧЕТНОЙ НАРУЖНОЙ ТЕМПЕРАТУРЫ;
ТРЕБУЕМОЙ (ЗАДАННОЙ) ТЕМПЕРАТУРЫ ВНУТРИ ПОМЕЩЕНИЯ;
КАЧЕСТВА ТЕПЛОИЗОЛЯЦИИ ЗДАНИЯ.
При определении требуемой тепловой мощности необходимо, кроме теплопотерь, учитывать теплопоступления, например, от работающих внутри машин, оборудования, а также людей.
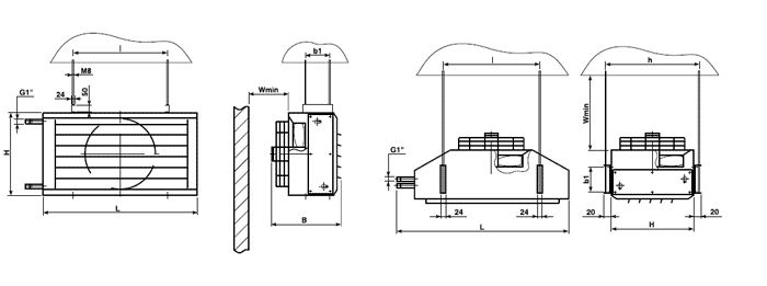
Примеры размещения агрегатов НОВА
-
Крепление на кронштейнах

- Крепление на шпильках к потолку (поток в сторону)
-
Крепление на шпильках к потолку (поток вниз)


